
Application
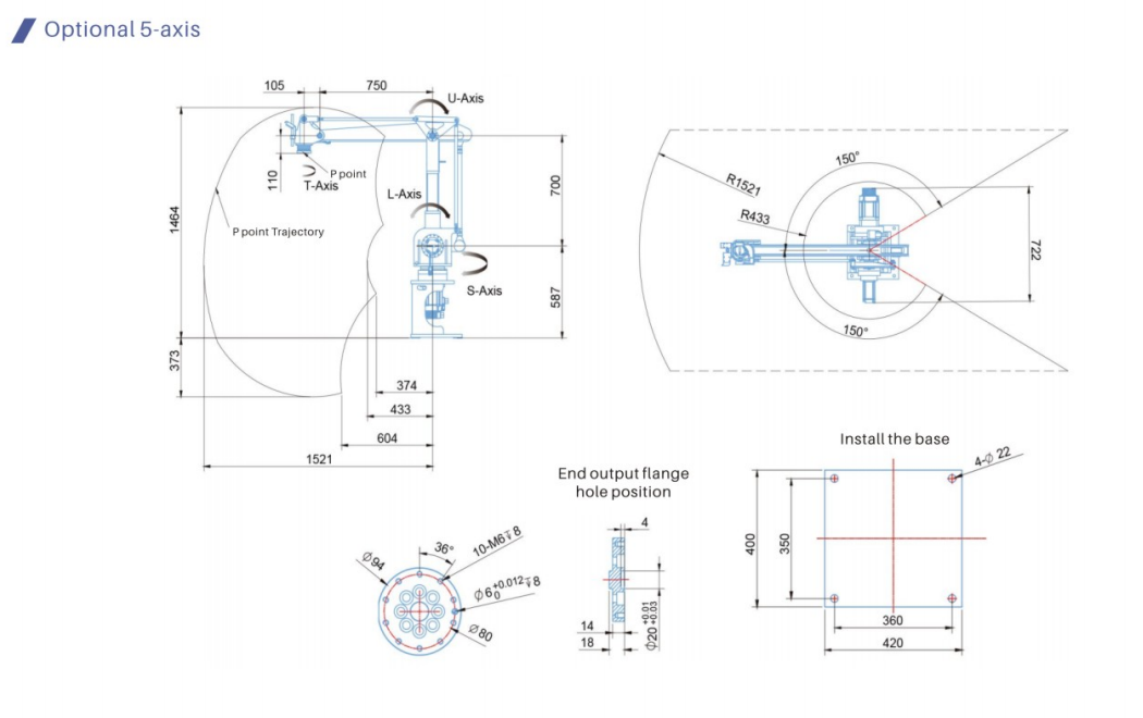
With a payload of 20 kgs and a wide working range of 1521mm,the 4 axis robot has a high path accuracy, is an optimal for industrial production.
Advantages
◎Wide motion range
◎High path key benefits
◎Easy programming
◎Less inferences due to optimized design

Main Technical Parameter
| Structure style | Vertical multi-joint robot | |
| Degree of freedom | 4axis | |
| Payload | 20 KG | |
| Max radius of activity | 1521mm | |
| Repeated positioning accuracy | ±0.06mm | |
| Activity range | S axis | ±150° |
| L axis | -98°,+43° | |
| U axis | -104°,+22° | |
| T axis | ±360° | |
| Body weight | 150KG | |
| Environmental conditions | Temperature | 0~45° |
| Humidity | 20- 80%RH(No condensation) | |
| Vibration | Below 4.9m/S2 | |
| No flammable and corrosive gas or liquid Do not involve water, oil, powder Do not approach the source of electromagnetic gas |
||
| Battery capacity | 4.15KVA | |










